行业背景
在双碳背景下,国家发改委、国家能源局联合出台《氢能产业发展中长期规划(2021-2035年)》 指出将重点推进氢能及燃料电池汽车产业低碳化发展。据SPIR数据显示,2023年我国氢燃料电池出货量为690MW,预计至2028年出货量将达6400MW,年均复合增速40%。

应用需求
燃料电池技术具有环保、高能效、长续航优势,多应用在载货及大型客车上,对安全性和可靠性要求高。因此,国家推出多项法规标准,对其安全性、循环寿命及测试效率等方面进行规范,为产业健康发展提供支撑。
相关标准

测试难点及解决方案
1. 测试难点(燃料电池EIS测试原理模型)
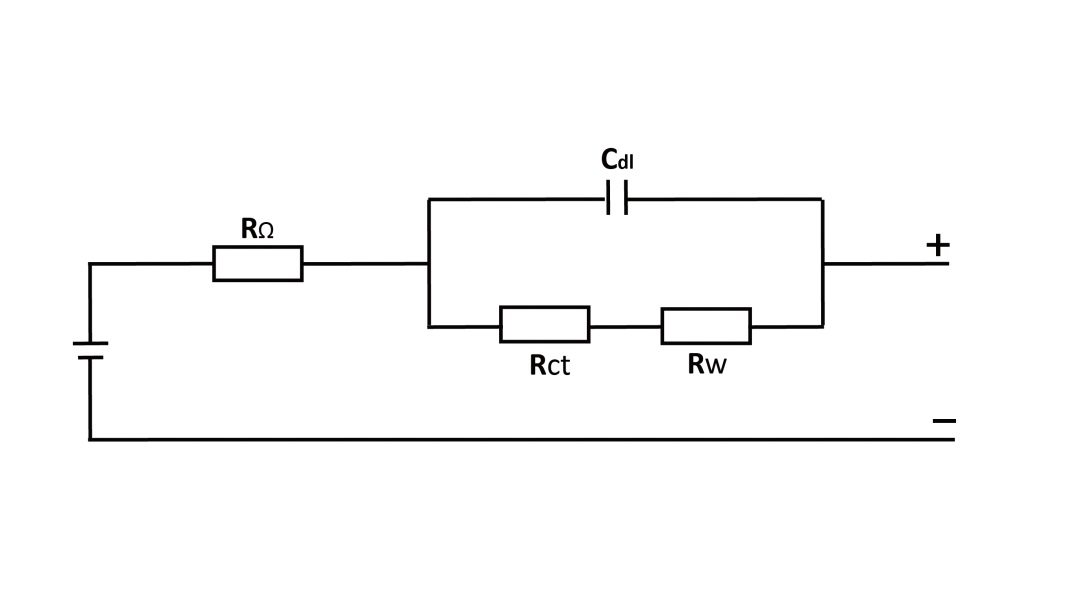
燃料电池内阻包括直流内阻DCIR、交流内阻ACIR和电化学阻抗谱EIS,是衡量燃料电池性能的关键指标之一。EIS测试包含了DCIR和ACIR测试,三种阻抗关系如下图所示:

行业通常简化燃料电池测试等效模型如下:

由上图可知,电路原理简化为:DCIR=RΩ+Rct+Rw,ACIR=RΩ,EIS为宽频的复阻抗,EIS需要在复数域进行测量,回路带载正弦波形,频率范围0.01Hz-20kHz,峰值几十安培到几百安培,通过绘制cole-cole曲线得到EIS值。
复杂的测试过程增加了测试难度,完善的燃料电池测试方案尤为重要。
2. 解决方案
燃料电池EIS测试需要用到波形发生器、电子负载、电化学工作站等多种测量设备。根据实际燃料电池测试需求,通过波形发生器产生小幅正弦电势信号,结合电子负载外部波形拉载功能,控制回路实际正弦拉载波形,电化学工作站进行中控与分析,最终得到EIS测量值。这个测试方案中,存在设备成本较高、测试效率低、可靠性差、测试品质一般等情况,目前艾诺仪器大功率直流电子负载AN23600E系列有针对性的推出SWD模式功能,有效的解决了行业难点,具体对比分析如下图所示:

产品介绍
艾诺仪器深耕测试行业多年,针对燃料电池在生产测试过程中的难点,推出专用大功率直流电子负载AN23600E系列。该负载具有测试速度快、精度高、负载适应性强的特点,可大幅度提升燃料电池的测试效率。


艾诺电子负载SWD实测波形
结语
艾诺大功率直流电子负载AN23600E系列采用全新一代数字控制器,内置五大基本模式以及七大进阶模式,同时提供了序列化功能,满足使用者的编程、自动化测试等多种需求。该产品广泛应用于燃料电池、电网储能、充电桩、光伏、新能源汽车OBC、伺服/服务器等领域,能够高效解决行业测试难点,在众多标杆客户的研发生产测试中获得一致好评。
未添加询价产品
请前往产品区选择
售后电话
4000532991 转 2
售后邮箱
service@ainuo.com
电话
0532-83995188
邮箱
sale@ainuo.com
2770184609
提交成功